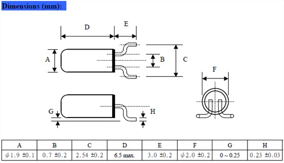
NSK晶振,插件晶振,NXG SMD晶振,工业级晶振.插件石英晶体元件.工厂仓库长时间大量库存常用频点,高精度的频率和晶振本身更低的等效串联电阻,常用负载电容.因插件型晶体成本更低和更高的批量生产能力,主要应用于电视,机顶盒,LCDM和游戏机家用常规电器数码产品等的最佳选择.符合RoHS/无铅.
NSK津绽晶振集团为确保所生产晶振,插件音响晶振的质量,都会经过广泛的电气以及环境测试,确保质量上不会存在错误,其中包括•老化•温度测试•温度循环•温度冲击•机械冲击•微跳•稳定烤•加速度•加速度灵敏度•好/总泄漏•随机振动振动•耐溶剂•可焊性
|
NSK晶振 |
单位 |
NXG SMD
|
石英晶振基本条件 |
|
标准频率 |
f_nom |
32.768KHz |
标准频率 |
|
储存温度 |
T_stm |
-10∼+60℃,-20∼+70℃ |
裸存 |
|
工作温度 |
T_use |
-10∼+60℃,-20∼+70℃ |
标准温度 |
|
激励功率 |
DL |
10μW |
推荐:1μW ~ 100μW |
|
频率公差 |
f_ten |
±20~±50ppm |
+25°C 对于超出标准的规格说明,
请联系我们以便获取相关的信息,http://www.kdscrystal.com/
|
|
频率温度特征 |
f_tem |
±20~±50ppm |
超出标准的规格请联系我们. |
|
负载电容 |
CL |
12.5pF |
不同负载电容要求,请联系我们. |
|
串联电阻(ESR) |
R1 |
如下表所示 |
-10℃~+85℃,DL = 100μW |
|
频率老化 |
f_age |
±5ppmMax. |
+25°C,第一年 |
激励功率
在晶振单元上施加过多驱动力,会导致产品特性受到损害或破坏.耐高温晶振电路设计必须能够维持适当的激励功率.
负极电阻
除非振荡回路中分配足够多的负极电阻,否则振荡或振荡启动时间可能会增加.
负载电容
振荡电路中负载电容的不同,可能导致振荡频率与设计频率之间产生偏差.试图通过强力调整,可能只会导致不正常的振荡.在使用之前,请指明该振动电路的负载电容(请参阅“负载电容”章节内容)
晶体振荡器和实时时钟模块
所有无线通讯设备晶振和实时时钟模块都以IC形式提供.
噪音
在电源或输入端上施加执行级别(过高)的不相干(外部的)噪音,可能导致会引发功能失常或击穿的闭门或杂散现象.
输出负载
建议将输出负载安装在尽可能靠近振荡器的地方(在20mm范围之间).
未用输入终端的处理
未用针脚可能会引起噪声响应,从而导致非正常工作.同时,当P通道和N通道都处于打开时,电源功率消耗也会增加;因此,请将未用输入终端连接到VCC或GND.
热影响
重复的温度巨大变化可能会降低受损害的智能手机晶振的产品特性,并导致塑料封装里的线路击穿.必须避免这种情况.
安装方向
晶振的不正确安装会导致故障以及崩溃,因此安装时,请检查安装方向是否正确.
通电
不建议从中间电位和/或极快速通电,否则会导致无法产生振荡和/或非正常工作.
卤化合物
请勿在卤素气体环境下使用产品.即使少量的卤素气体,比如在空气中的氯气内或封装所用金属部件内,都可能产生腐蚀.同时,请勿使用任何会释放出卤素气体的树脂.
静电
过高的静电可能会损坏产品,请注意抗静电条件.请为容器和封装材料选择导电材料.在处理的时候,请使用电焊枪和无高电压泄漏的测量电路,并进行接地操作.
NSK津绽晶振集团将有效率的使用自然资源和能源,以便从源头减少废物产生和排放.我们将在关注于预防环境和安全事故,保护公众健康的同时,努力改进我们的操作.我公司将积极参与加强公众环境、健康和安全意识的活动,提高公众对普遍的环境、健康和安全问题的注意.
所有的经营组织都将积极应用国际标准以及适用的法律法规.为促进合理有效的公共政策的制订实施加强战略联系.
NSK津绽晶振集团消除事故和环境方面的偶发事件,减少游戏机晶振、耐高温晶振材料废物的产生和排放,有效的使用能源和各种自然资源,对紧急事件做好充分准备,以便及时做出反应.
对我们的产品进行检验,同时告知我们的员工顾客以及公众,如何安全的使用,如何使用对环境影响较小,帮助我们的雇员合同方商业伙伴服务提供上理解他们的行为如何影响着环境.
NSK晶振遵守所有适用的有关环境、健康和安全的法律和法规以及公司自己的有关环境、工业卫生和安全的方针和承诺.
与我们的员工一起开创并保持一个免于事故的工作场所.
NSK晶振重视污染预防,消除偏离程序的行为强调通过员工努力这一最可行的方法持续改进我们经营活动的环境绩效.
NSK晶振将持续的环境、健康和安全方面的改进、污染预防和员工的努力纳入日常运行当中.加强污染防治,减少现有的污染废弃物以及在未来石英晶体、普通晶体振荡器(SPXO),石英晶振生产制造中所产生的污染.
NSK石英晶振环保环境与发展对策:实行可持续发展战略.采取有效措施,防治工业污染.提高能源利用效率,改善能源结构.运用经济手段保护环境.大力推进科技进步,加强环境科学研究,积极发展环境保护产业.健全环境法规,强化环境管理.加强环境教育,不断提高环境意识.
NSK晶振减少污染物排放,对不可再生的资源进行有效利用.减少废物的产生,对其排放的责任进行有效管理,有效地使用能源.通过石英晶振,无线通讯设备晶振,温补晶振,游戏机晶振设计工艺程序对员工进行培训保护环境以及人们的健康和安全.提供安全使用和废置我们的产品的信息,对环境有重大健康安全和环境的运营现状进行纠正.
NSK津绽晶振集团保持就健康安全环境问题与临近摄取进行对话.通过在环境控制方面实施优秀的管理实践,以保护环境和全球运作相关的自然资源.向员工灌输环境价值观,在所有的晶振,石英晶振,有源晶振,压控振荡器产品和生产过程中应用最佳环境实用技术,为全球可持续发展做出贡献.
我们将依据技术进步以及对安全、健康和环境科学全新的解释持续地改进我们的业务.
我们将追求在资源利用上的零废物率.压电石英晶体元器件、压电石英晶体、有源晶体原材料将得到循环和再利用以最大限度地减少对其处理量,同时节约资源.在废物的滋生地,废物将被安全、负责地处理掉.



NSK晶振,插件晶振,NXG 2-6晶振,可穿戴设备晶振
